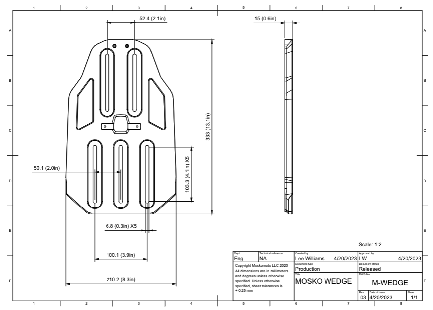
Backcountry Pannier - Wedge & Frame March 29, 2024 19:40 Updated Download the Wedge PDF here. Download the Frame PDF here. Related articles Rack Fitment Guide Pannier Rack Compatibility BMW 1200GS / 1250GS Outback Motortek - Weight Recommendation + Models How to Wash Your Luggage